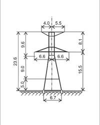
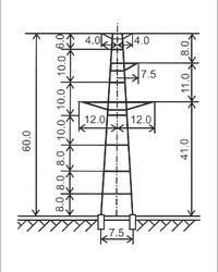
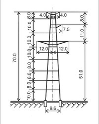
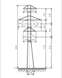
Опоры ЛЭП, порталы, ростверки
Комплексные поставки кабельно-проводниковой продукции
Конструкции опор из обсадных труб
Пб 10 - 1
УПт 10 - 1
ОПт 10 - 1
Кт 10 - 1 - Р
Кт 10 - 1
Опоры анкерного типа
УГ10-1-01
УГ10-1-02
УГ10-1-03
УГ10-1-04
А 10 - 1С; К 10 - 1С; УА 10 - 1С
Промежуточная опора
ПМ10-1-01
ПМ10-1-02
ПМ10-1-03
ПМ10-1-04
ПМ10-1-05
ПМ10-1-06
ПМ10-1-07
ПМ10-1-08
ПМ10-1-09
ПМ10-1-10
ПМ10-1-11
ПМ10-1-12
П 10 — 1С
ПГ35/110-2Т
ПГ35/110-2
ПГ35/110-1Т
ПГ35/110-1
ПГ220-2-331
ПГ220-1-01
ПГ220-1-02
ПГ220-1-03
ПГ220-1-04
П220-1-01
П220-1-02
П220-1-03
П220-1-04
П220-1-05
П220-1-06
П220-1-07
П220-1-08
Псм10ф-1
Птм10ф-1
ПМ220-1-01
ПМ220-1-02
ПМ220-1-05
ПМ220-1-06
ПМ220-1-07
ПГ35-1-01Т
ПГ35-1-01
ПГ35-1-02Т
ПГ35-1-02
ПГ35-2-01Т
ПГ35-2-01
П110-4Вм
П110-6Вм
Металлическая оснастка для железобетонных опор
Пб 10 - 1
Пб 10 - 2
УПб 10 - 3
УПб 10 - 4
Кб 10 - 1
П 10 - 3
П 10 - 4
УП 10 - 2
УА 10 - 2
У 0 А 10 — 2
Унифицированные стальные одноцепные промежуточные опоры
П 35 — 1
П 35 — 1 Т
П 35 — 1 ПГ
П 35 — 1 У
Унифицированные стальные двухцепные промежуточные опоры
П 35 - 2
П 35 - 2Т
П 35 - 2ПГ
ПС 35 - 2
П 35 - 2У
Унифицированные стальные одноцепные анкерно - угловые опоры
У 35 - 3
У 35 - 3 + 5
У 35 - 3 + 9
У 35 - 1
У 35 - 1 + 5
У 35 - 1 Т
У 35 - 1 Т + 5
Унифицированные стальные двухцепные анкерно - угловые опоры
У 35 - 2
У 35 - 2 + 5
У 35 - 2 Т
У 35 - 2 Т + 5
У 35 - 4
У 35 - 4 + 5
У 35 - 4 + 9
Унифицированные стальные двухцепные анкерно - угловые опоры
У 110 - 2
У 110 - 2 + 5
У 110 - 2 + 9
У 110 - 2 П
Унифицированные стальные двухцепные промежуточные опоры
УС 110 - 3
УС 110 - 7
УС 110 - 3 +5
Унифицированные стальные ответвительные опоры
УС 110 - 7 + 9
УС 110 - 7 + 14
УС 110 - 8
Унифицированные стальные промежуточные угловые опоры для горных районов.
Анкерно - угловые опоры для городских условий
ПУС 110 - 1
ПУС 110 - 2
ПУС 110 - 5
ПУС 110 - 6
У 110 - 2 В
У 110 - 2 + 14
Унифицированные стальные анкерно - угловые опоры на малые провода
У 110 - 3
У 110 - 3 + 5
У 110 - 4
У 110 - 4 + 5
Унифицированные стальные промежуточные опоры для горных районов и городских условий
ПС 110 - 9
ПС 110 - 9 ПГ
ПС 110 - 10
ПС 110 - 10 ПГ
ПС 110 - 10 + 1,3
Унифицированные стальные двухцепные промежуточные опоры
П 110 - 2В
П 110 - 2В + 4
П 110 - 4В + 4
П 110 - 6 В
П 110 - 6
П 110 - 6 ПГ
П 110 - 4 В
П 110 - 6 В + 4
Унифицированные одноцепные анкерно - угловые опоры
У 110 - 1
У 110 - 1 + 5
У 110 - 1 + 9
У 110 - 1 + 14
Унифицированные стальные одноцепные промежуточные опоры
П 110 - 5 В
П 110 - 5 В + 4
П 110 - 5
П 110 - 5 ПГ
П 110 - 1 В
П 110 - 1 В + 4
П 110 - 3 В
П 110 - 3 В + 4
П 110 - 3 У
Унифицированные стальные одноцепные анкерно-угловые опоры
У 220 - 1
У 220 - 1 + 5
У 220 - 1 + 9
У 220 - 1 + 14
Унифицированные стальные промежуточные опоры для горных районов
ПС 220 - 5 Т
ПС 220 - 6
ПС 220 - 5
Унифицированные стальные двухцепные промежуточные опоры
П 220 - 2
П 220 - 2 + 5
П 220 - 2 Т
Унифицированные стальные двухцепные анкерно - угловые опоры
У 220 - 2т
У 220 - 2 Т + 5
У 220 - 2 Т + 9
У 220 - 2 Т + 14
У 220 - 3
У 220 - 3 + 5
Унифицированные стальные одноцепные свободностоящие промежуточные опоры
П 220 - 3
П 220 - 3 + 5
П 220 - 3т
ПС 220 - 3
У 220 - 3 + 9
У 220 - 3 + 14
П 220 - 2 Т + 5
У 220 - 2
У 220 - 2 + 5
У 220 - 2 + 9
У 220 - 2 + 14
П 220 - 3 Т + 5
Унифицированные переходные одноцепные опоры
ПП 330 - 1/81
ПП 330 - 1/71
ПП 330 - 1/61
ПП 330 - 1/51
Унифицированные переходные двухцепные опоры
ПП 330 - 2/70
ПП 330 - 2/60
ПП 330 - 2/50
Унифицированные стальные одноцепные анкерно - угловые опоры
У 330 - 3
У 330 - 3 + 5
У 330 - 3 + 9
ПП 330 - 1/41
Унифицированные стальные двухцепные промежуточные опоры
П 330 - 2
П 330 - 2 + 5
П 330 - 2 Т
П 330 - 2 Т + 5
У 330 - 3 + 14
ПС 330 - 2
ПП 330 - 2/40
ПС 330 - 2 Т
Унифицированные стальные двухцепные промежуточные опоры
ПБ 2
ПБ 4
Типовые стальные косогорные опоры
ПБ 4 - I. ПБ 4 - II. ПБ 4 - III. ПБ 4 — IV.
ПБ 2 - I. ПБ 2 - II. ПБ 2 - III. ПБ 2 — IV.
Типовые стальные транспозиционные анкерно - угловые опоры
У 2Т
Типовые стальные анкерно - угловые опоры
У 2К
У 2
Персональный менеджер
За каждым клиентом закреплен собственный менеджер, что гарантирует быстрые ответы по текущим запросам, квалифицированные консультации и подбор продукции в соответствии с Вашими требованиями.
Профессиональные квалифицированные консультации по товару
Экономия времени
Оперативное принятие решений по любым вопросам
Подберем нужную марку и рассчитаем необходимое количество материалов
Быстрая сборка, комплектация и отгрузка заказа
Отслеживание товара по трекеру
Оформление заявки в любой форме по удобному вам каналу коммуникации
Почему выгодно работать с нами
Обширный список поставляемой продукции
Отсутствие юридических и финансовых рисков
Максимально выгодные для заказчика ценовые предложения
Гибкая система оплаты заказов
Соответствие продукции ГОСТ и ТУ
Клиентоориентированность сотрудников
Многолетний успешный опыт работы сотрудников компании в данной отрасли
Гибкость логистических схем с доставкой до объекта
Гарантия низких цен
благодаря партнерским взаимоотношениям
с более чем
кабельно-проводниковой продукции и транспортными компаниями
ведущими производителями
50
Работаем по всей России и в странах СНГ
Остались вопросы?
Укажите свои контактные данные. Менеджер свяжется с вами в течение 15 минут.
Нажимая на кнопку, вы даете согласие на обработку персональных данных и соглашаетесь c политикой конфиденциальности